Art.Nr.: 28001663
Bestellungen von Elektriker werden nach der Bestellung gemäss Konditionen angepasst.
Tridonic LCA 60W 24V one4all SC PRE
Produktbeschreibung
Dimmbarer 24 V Konstantspannungs-LED-Treiber für flexible Konstantspannungs-LED-Streifen
Kann als Leuchteneinbau oder unabhängiger LED-Treiber mit aufschnappbarer Zugentlastung verwendet werden (siehe Datenblatt Kapitel: 1. Normen)
one4all Interface und ready2mains ermöglichen verschiedene Dimmmöglichkeiten
Dimmbereich von 1 – 100 %
Kein externer Dimmer notwendig
Geeignet für Sicherheitsbeleuchtungsanlagen gemäß EN 50172
Nominale Lebensdauer bis zu 50.000 h
5 Jahre Garantie
Typische Anwendung
Voutenbeleuchtung, Fassaden-Akzentbeleuchtung, indirekte Deckenbeleuchtung
Technische Details
24 V, 60 W
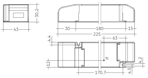
Kleine Bauform (225 x 43 x 30,2 mm) mit Zugentlastung
Kleiner Querschnitt
Steckklemmen zur einfachen Verdrahtung
Ausgangsklemmen (+/–) zweifach ausgeführt für mehr Flexibiltät in der Anwendung
Schnittstellen
one4all (DALI DT 6, DSI, switchDIM, corridorFUNCTION)
ready2mains (Konfigurieren und Dimmen über Netz)
DATENBLATT - PDF

Preis:
CHF 86.50